Web Analytics Made Easy - Statcounter
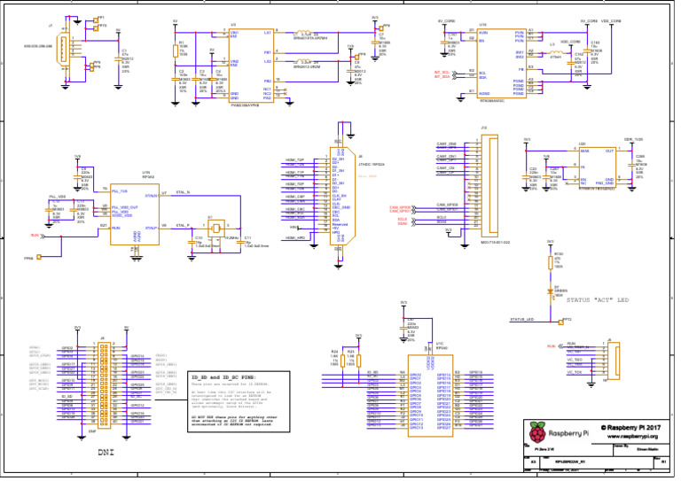
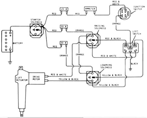
HDMI to VGA Wiring: Connect Old & New Tech!

HDMI to VGA Wiring: Connect Old & New Tech!

HDMI to VGA Wiring: Connect Old & New Tech! Câble hdmi haute vitesse 2 m